



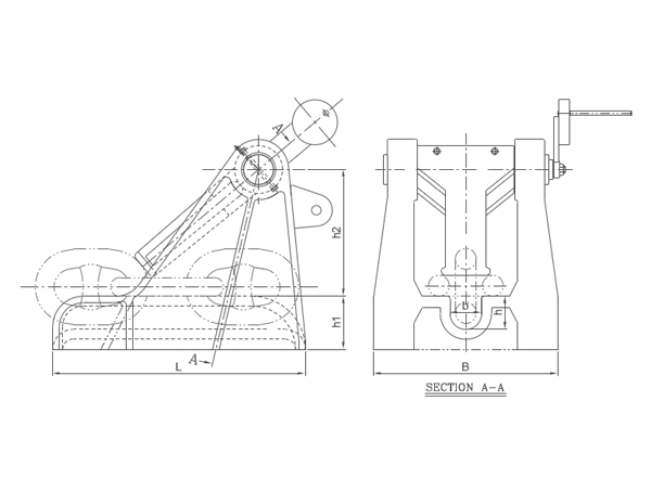
| Chain cable stopper Type |
Nominal Dia. Of Chain(mm) |
Dimensions (mm) | Weight (kg) |
|||||
|---|---|---|---|---|---|---|---|---|
| B | b | L | h | h1 | h2 | |||
| ATF-2031-P58 | 58-60 | 600 | 98 | 780 | 102 | 182 | 394 | 495 |
| ATF-2031-P62 | 62-64 | 630 | 104 | 835 | 109 | 191 | 421 | 582 |
| ATF-2031-P66 | 66-68 | 660 | 110 | 885 | 116 | 200 | 446 | 701 |
| ATF-2031-P70 | 70-73 | 700 | 118 | 950 | 125 | 212 | 478 | 846 |
| ATF-2031-P76 | 76-78 | 750 | 126 | 1015 | 133 | 222 | 511 | 1014 |
| ATF-2031-P81 | 81-84 | 800 | 136 | 1095 | 143 | 235 | 550 | 1268 |
| ATF-2031-P87 | 87-90 | 850 | 146 | 1170 | 153 | 248 | 588 | 1498 |
| ATF-2031-P92 | 92-95 | 900 | 154 | 1235 | 162 | 260 | 620 | 1769 |
| ATF-2031-P97 | 97-102 | 950 | 165 | 1350 | 175 | 276 | 665 | 2277 |
| ATF-2031-P105 | 105-107 | 1000 | 173 | 1400 | 185 | 289 | 703 | 2664 |
| ATF-2031-P111 | 111-114 | 1050 | 184 | 1480 | 195 | 302 | 742 | 3054 |
| ATF-2031-P117 | 117-122 | 1120 | 197 | 1585 | 207 | 318 | 790 | 3660 |